Mtt

UK Wide Service Since 2001

Case Studies & recently completed projects

Retrofit and Rebuild of a Berthiez TMM 315 at Allied Mechanical

A customer in the United States owned a unique and crucial vertical turning machine from the 1970s, understood to be the largest capacity vertical turning machine on the West Coast of the U.S.A. This machine featured a large diameter rotary table and an additional milling axis.

 

Due to its unique capabilities and size, finding a direct replacement would have been nearly impossible and prohibitively expensive, with estimates around £4-5 million.

Industry/Sector: Aerospace, oil and gas.


Authored By: David Clough

Retrofit and Rebuild of a Berthiez TMM 315 at Allied Mechanical

Industry/sector: Electron beam additive manufacturing, new product development and bespoke machine tool design.

Authored By: Andy Spalding

Collaborative Machine Tool Design with Wayland Additive

Collaborative Machine Tool Design with Wayland Additive

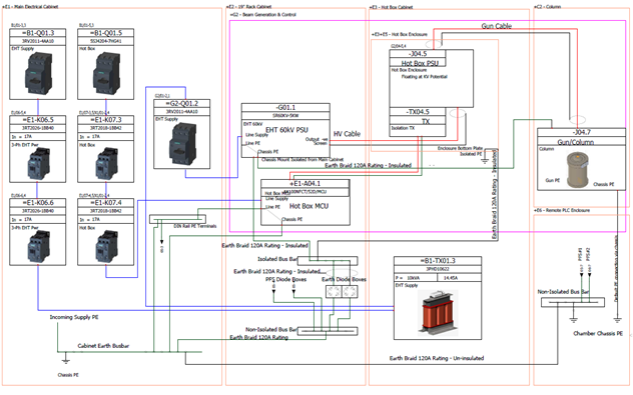
In late 2020 Wayland Additive, a start up company in the electron bead additive manufacturing space, approached MTT to collaborate on the development and industrialization of their state of the art additive manufacturing concept.

 

Prior to engaging MTT, Wayland Additive had developed a novel approach to electron beam additive manufacturing.

 

The new technology developed by Wayland (“NeuBeam” TM) allows, amongst other advantages, the sintering of materials at much higher temperatures than conventional electron beam technology, opening up a host of new applications to the market.   

 

Additional Case Studies

Request An Audit

Apply Online

Allowed Type(s): .pdf, .doc, .docx